Главная
Проекты
Назад
Проекты
Дома
Бани
Баня-дом
Доставка
О компании
Услуги
Назад
Услуги
Срубы из оцилиндрованного бревна
Бани
Фундамент
Монтаж кровли
Внутренняя отделка
Медвежья мебель
Пиломатериалы
Галерея
Назад
Галерея
Процесс изготовления сруба
Возведение фундамента
Изготовление сруба
Новости
Контакты
Назад
Контакты
Обратная связь
+7 921 010-11-11
>
Проекты
>
Баня-дом
>
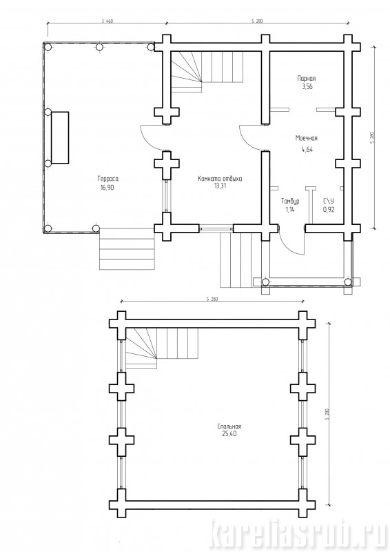
Дом-баня 7,7x5,3
Дом-баня 7,7x5,3
Общая площадь - 65,87
Жилая - 25,4
Нежилая - 40,47
-
+
План
(pdf, 19 KB)
План Баня 7,7x5,3